 
			计算机组成
chapter2 instructions:language of the computer
2.1 introduction
2.2 operations of computer hardware
算术
ex
| 1 |  | 
2.3 operands of computer hardware
- 64-bit data call doubleword 
- 32-bit data call word 
- Risc-v 有32个64位寄存器 
- Risc-V 是小端模式(小端模式下,数据的低位存储在低地址,高位在高地址;而大端模式则相反,高位存储在低地址。在读取数据时,无论哪种模式,都是从低地址开始)即这个word的第0个byte放在最低的位置(least address of a word) 
- Risc-V 不需要aligned 

- 下面举一个memory的Risc-V编译例子

解释:ld和sd是对memory的指令,其中的数字代表对应的地址。
register和memory
- Registers are faster to access than memory
- 进行操作时将memory load到register或者被store
- Compiler must use registers for variables as
 much as possible
make common case fast
- 对于常见的命令,例如immeidate add,当我们把它们变作一个命令以后,就舍去了load操作,大大提升了编译时间。
2.4 有符号数和无符号数
2.5 representing instructions in the computer
- 指令在计算机中的表示方法(如下例)

这个表示方法就是RISC-V R-Format:
funct7(7 bits) rs2(5 bits) rs1(5 bits) funct3(3 bits) rd(5 bits) opcode(7 bits)
但是有些指令的相关寄存器只有两个(Risc-V I-Format Instructions)
immediate
encoding

format

- 解释:sb指令与UJ指令的immed的特殊位置排序的原因:功能不同并且尽可能多地位数相互对应。
2.6 logical operations
shift operations
- I-format 但是immediate只有六位(因为能够最多表示移63位已经满足所有情况
若是logical对应的immediate操作
- 因为我们的寄存器处理的数据为64位,但是immeidate为12位,所以对immediate作有符号数扩展
2.7 instructions for making decisions
branch
- branch instructions
 beq register1,register2,L1(若==则执行)
 bne register1,register2,L2(若!=则执行)
loop

- 解释:首先进行读取,因为是double word所以每次的地址都是i乘上8,所以在开头进行移位操作(解释一下A[i]的地址占据应该为[8i+7:8i])。再加上最初的A[0]地址算出A[i]地址,利用地址进行load操作(需要注意在这里因为已经是A[i]的地址所以我们load前面的immediate操作数为0),接着进入判断条件,若满足进入循环。
most popular compare operand
- slt 
 If the first reg. is less than second reg. then sets third reg to 1
 slt x5,x19,x20(x5=1 if x19 < x20)
- more conditional operations 
 blt rs1, rs2, L1
 if (rs1 < rs2) branch to instruction labeled L1
 bge rs1, rs2, L1
 if (rs1 >= rs2) branch to instruction labeled L1
- signed and unsigned 
 Signed comparison: blt, bge
 Unsigned comparison: bltu, bgeu
jump register
- jalr
 jalr rd,imm(rs1)
 解释:rd是要保存返回地址的目标寄存器。
 rs1是包含要跳转到的地址的源寄存器。
 imm是一个偏移量,用于相对于rs1寄存器的计算(可选字段)。
2.8 supporting procedures in computer hardware
procedure call instruction
instructions of procedure
- jal x1,procedureaddress(UJ)
 跳转到绝对的地址,同时将返回地址(PC+4)保存到寄存器
 Address of following instruction put in x1
 Jumps to target address
procedure return
- jalr x0,0(x1)(I)
 跳转到一个寄存器中指定的地址,同时将返回地址保存到寄存器
 Like jal, but jumps to 0 + address in x1
 Use x0 as rd (x0 cannot be changed)
 Can also be used for computed jumps
Using more registers
- 在后面的RISC-V规定中会提及: 
- 通常题目会说堆栈的指针要在16的倍数上对齐,意味着我们每次操作都至少要将sp移动16个字节。 
- 采用堆栈操作 
 push:sp=sp-8
 pop:sp=sp+8
- example 

- sp在压栈前应该指向最后一个word(而不是下一个空的word(课堂上大家最终达成了共识))
RISC-V规定

- x0为常数0,这个一定要切记
- x5 - x7 以及 x28 - x31 是 temp reg,如果需要的话 caller 保存;也就是说,不保证在经过过程调用之后这些寄存器的值不变。
- x8 - x9 和 x18 - x27 是 saved reg,callee 需要保证调用前后这些寄存器的值不变;也就是说,如果 callee 要用到这些寄存器,必须保存一份,返回前恢复。
- x10 - x17 是 8 个参数寄存器,函数调用的前 8 个参数会放在这些寄存器中;如果参数超过 8 个的话就需要放到栈上(放在 fp 上方, fp + 8 是第 9 个参数, fp + 16 的第 10 个,以此类推)。同时,过程的结果也会放到这些寄存器中(当然,对于 C 语言这种只能有一个返回值的语言,可能只会用到 x10 )。
- x1 用来保存返回地址,所以也叫 ra 。因此,伪指令 ret 其实就是 jalr x0, 0(x1) 。
- 栈指针是 x2 ,也叫 sp ;始终指向 栈顶元素。栈从高地址向低地址增长。
 addi sp, sp, -24 , sd x5, 16(sp) , sd x6, 8(sp) , sd x20, 0(sp) 可以实现将 x5, x6, x20 压栈。
- 一些 RISC-V 编译器保留寄存器 x3 用来指向静态变量区,称为 global pointer gp 。
- 一些 RISC-V 编译器使用 x8 指向 activation record 的第一个 dword,方便访问局部变量;因此 x8 也称为 frame pointer fp 。在进入函数时,用 sp 将 fp 初始化。
 fp 的方便性在于在整个过程中对局部变量的所有引用相对于 fp 的偏移都是固定的,但是对 sp 不一定。当然,如果过程中没有什么栈的变化或者根本没有局部变量,那就没有必要用 fp 了。
Nested procedures
ex
| 1 |  | 
现在我们研究上述c语言的risc-v指令
解释:我们首先要建立这样一个大概,在没有进行到底部时a0(参数)与ra(函数调用地址)不断被压栈保存。当递归到底部时,我们开始jarl zero,0(ra)开始回到上一个函数调用(因为注意当我们之前在L1中操作时命令jal ra,fact中的ra保留的是这一条指令的下面指令的位置,即开始进行L1的后半部分),不断更新a0(即结果),然后将栈pop得到上一个函数地址再进行jarl zero,0(ra)
- 类似于这种将递归转化为risc-v其实有两种写法,一种是上面的写法在调用过程中跳转到另一个分支,另一种是在尾部才跳转到另一个分支。()
| 1 |  | 
- 斐波拉契数列同样地利用尾部跳转到另一个分支(但是可以注意到的是,如果我们把fib中的最后一行去掉其实没有问题,因为程序会顺序执行(PC+4)也就是done。)
| 1 |  | 
loacl data on the stack
- fp与sp两个指针
- fp在一次函数调用的储存中固定,而sp随着压栈的元素不断移动.即fp只指向这个进程的起始位置

2.9 communicating with people
string copy


- 因为这个例子是一个leaf procedure所以有优化的点
- For a leaf procedure
 The compiler exhausts all temporary registers
 Then use the registers it must save
2.10 对大立即数的RISC-V的编址和寻址
32-bit constants
- 当我们load时,要进行两次操作,先将前20位load进去,再加上后12位
- 但是后12位需要扩展到32位,当后12位的符号位为1,则前面都需要扩展为1,那么我们第一次20位就需要做出一点变化。![32bit]() 
branch addressing

- 有些题目可能会遇到计算pc端的可能的地址,因为我们储存的特殊性,所以对于sb指令而言,正向只能至多移动(4094),但是负向可以至多移动(-4096) 
- 对于bne指令,是SB类型,则imm[12]是符号位,而imm[0]默认为0,相当于跳跃时只能跳转偶数操作,这也与我们后面的指令地址以halfword对齐照应。 
- PC-relative addressing 
 Target address = PC + Branch offset
 = PC + immediate × 2 即通常存储的是相对位置,这也与下面的一个例子相互对应
jump addressing

- 解释:All RISC-V instructions are 4 bytes long
 PC-relative addressing refers to the number of halfwords
 The address field at 80012 above should be 6 instead of 12
- 但是其实你仔细研究上面的代码,会发现如果加上我们默认的imm[0]=0,其实蕴含的imm的距离就是12和-20,也就是imm其实就是代表两条指令的地址的字节差。
指令类型对应寻址方式
- immediate addressing addi x5,x6,4
- register addressing add x5,x6,x7
- base addressing ld x5,100(x6)
- PC-relative addressing beq x5,x6,L1
2.11 指令与并行性:同步
risc-v中的同步
- Load reserved: lr.d rd,(rs1) 
 Load from address in rs1 to rd
 Place reservation on memory address
- Store conditional: sc.d rd,(rs1),rs2 
 Store from rs2 to address in rs1
 Succeeds if location not changed since the lr.d Returns 0 in rd
 Fails if location is changed Returns non-zero value in rd
- 上述两条指令的例子 ![lock]() 
2.12 translating and starting a programme
2.13 A C sort example to put it all together
2.14 arrays vs pointers

解释:上述例子就是数组和指针两种方式进行清空一个数组操作,只是数组的操作通过i来控制每次i加1,再进行移位操作;而指针直接找地址,每次地址加8。
chapter3 arithmetic for computers
3.1 introduction
- there are 32bit/word(默认) or 64bit/word in RISC-V
- 数的表示二进制,有符号数与无符号数
3.2 arithmetic
addition and subtraction
- 加减法可以直接使用补码进行操作,但是乘法不能
overflow
- 次高位向最高位有进位,最高位上去没进位或次高位向最高位没进位,最高位上去有进位(即异或操作)
 则会发生溢出(前提都是考虑补码操作)
- 应对措施:忽略;在alu操作检测
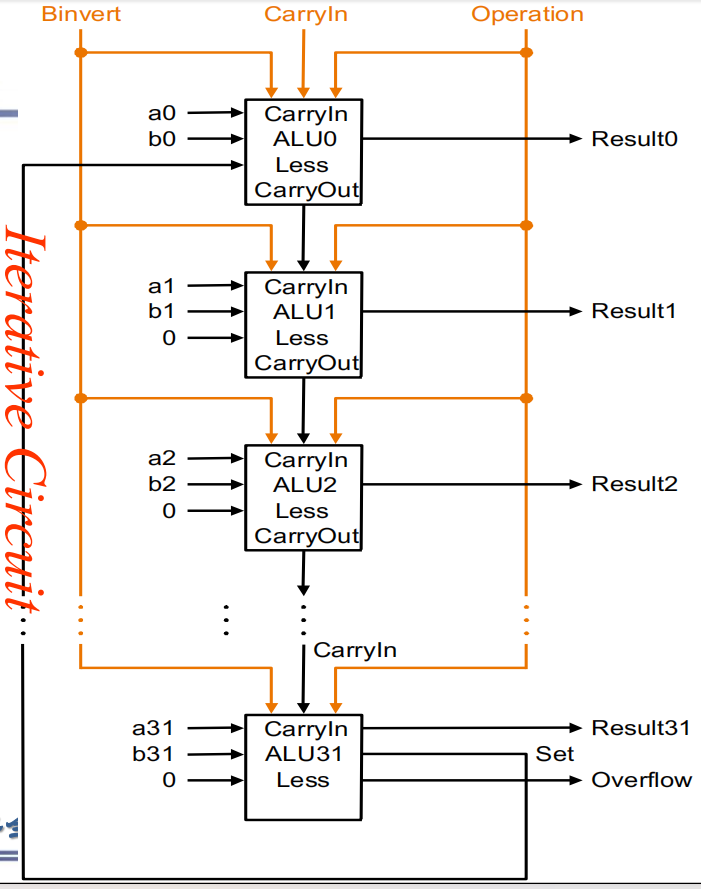
construct an alu
- extended the adder
- build a single
- expand it to the desired width
- 添加comparison操作
 slt rd,rs,rt(32位寄存器)
 n If rs < rt, rd=1, else rd=0
 n All bits = 0 except the least significant
alu总体设计

需要注意:Less 和 Set 共同使用,是为了实现 slt rd, rs1, rs2 这个操作(即实现比较操作)(SLT 即 Set Less Than)的。这个操作的含义是,如果 rs1 < rs2 ,那么将 rd 置为 1 ,否则置为 0 。如何进行这一判断呢?很简单,rs1 < rs2 即 rs1 - rs2 < 0,也就是说如果 rs1 - rs2 结果的最高位是 1 ,那么就说明 rs1 < rs2 。所以对于 slt 这个操作,我们只需要计算 rs1 - rs2,而后将 ALU63 中加法器的结果(即最终结果的符号位)赋值给 Result[0] ,即运算结果的 Least Significant Bit,而将其他位的结果 Result[1:63] 都设成 0,就可以完成 slt 操作了。
- 常见的alu选择数对应的功能如下

verilog设计
- 检测overflow:增加一位观察其位数,并根据alu operation再根据原来的a和b的最高位三者
 进行综合来判断是否发生溢出。
更快的方法
- 超前进位加法器 
 思路:对于普通加法器而言,运行缓慢的重要因素是因为在我们进行计算的时候,我们需要等待前面的部件
 计算完成产生进位后再来计算。而超前进位加法器则是通过假想所有进位可能产生的情况,提前对每一位进行
 与操作和或操作,大大减少了进行加法需要的时间![chaoqian]() - 详细的数学推导如下 ![chaoqian2]() - 如果想要将运算的位数扩展为16位即原来的四倍,一种可能实现的方法如下: 
 也就是对于每四位用之前所说的超前加法器,然后这四位产生的结果之间又存在一个
 迭代关系。
carry select adder
  
- carry select adder
 思路:这就是体现了在chapter中提到的设计中的冗余的思想,将carry为0或1的情况都列出来
 再从中选择符合实际的情况
乘法
V1

- 解释:最简单的乘法装置就是用一个64位寄存器用来存储乘数,然后每一次进行移位,并同时对被乘数进行移位,如果判断为1,则将现在移位的被乘数加到最终的结果上面(128位alu操作).
V2

- 解释:进行第一次优化,将 Multiplicand 寄存器换为了 64 位,而将位移操作转移到了 Product 寄存器中进行。这里最重要的一点就是,64 位加法只影响 Product 寄存器左侧的 64 位,而之后的右移操作则是 128 位。这样,虽然最低位的结果一开始会被放在 Product 寄存器的第 65 位里,但是在经过 64 次右移之后,它就出现在第一位了。于是,所有的 128 位加法都被 64 位加法替代,实现了加速。
V3

- 解释:直接将 Multiplier 存在了 Product 的低 64 位中。当我们从中取出最低位并经过一次判断后,这一位就不重要了,而恰好 Product 需要右移,就将这一位消除,方便我们下一次从最低位拿出下一个比特。首先,少了一个寄存器,节省了空间;其次,原本需要 Multiplier 寄存器和 Product 寄存器都做右移,现在只需要 Product 寄存器右移即可,减少了一个 64 位右移操作。
faster multiplication
- 将乘数与被乘数展开转化为加法
signed multiplication
除法
V1-division

- 解释:最基本的竖式计算。最开始除数放在寄存器的左半部分,被除数放在寄存器的右半部分。然后对除数与被除数作减法,如果结果大于0,则此时的商取1,商移位,被除数也需要移位并且除数继续移位;否则商取0,商移位并且除数继续移位。
V2-division

- 解释:想要优化我们上述的除法结构,我们联想到上述加法的V3模式。我们采用类似的结构,64位除数不进行移位操作,而储存被除数的寄存器先放置在左侧,将被除数向左移,(空出来的位置用来放置商),与除数再进行减法。
floating point numbers
- 对于不同的取值范围对应的表达方式(尤其注意零和正负无穷的表达)

- 下面给出一个浮点数换算的具体例子

floating point addition
- 对齐:小对大进行对齐:为什么是小对大?首先,小对大的过程是在小指数的 fraction 前补 0,可能导致末尾数据丢失;大对小的过程是在大指数的 fraction 后补 0,可能导致前面的数据丢失。在计算过程中,我们保持的精确位数是有限的,而在迫不得已丢去精度的过程中,让小的那个数的末几位被丢掉的代价比大的前几位丢失要小太多了。
- 相加
- 将结果归一化
- 进行舍入操作(可能结果还需要进行归一化)
multiplication
- 将两个 Exponent 相加并 减去一个 bias,因为 bias 加了 2 次
- 将两个 (1 + Fraction) 相乘,并将其规格化;此时同样要考虑 overflow 和 underflow;然后舍入,如果还需要规格化则重复执行
- 根据两个操作数的符号决定结果的符号
准确计算
- 一般的浮点位数后面跟两个bit(guard、round),其目的是让舍入更加精确,所以加减法一般只考虑guard即可。但是对于乘法,如果存在前导零的情况,需要把结果左移的时候,round就会起作用(成为有效位)。
- 一个位叫 sticky bit,其定义是:只要 round 右边出现过非零位,就将 sticky 置 1,这一点可以用在加法的右移中,可以记住是否有 1 被移出,从而能够实现 “round to nearest even”。
chapter4-the processor
4.1 introduction
- CPU performance factors
 Instruction count Determined by ISA and compiler
 CPI and Cycle time Determined by CPU hardware
- We will examine two RISC-V implementations
 A simplified version
 A more realistic pipelined version
- Simple subset, shows most aspects
 Memory reference: ld, sd
 Arithmetic/logical: add, sub, and, or
 Control transfer: beq
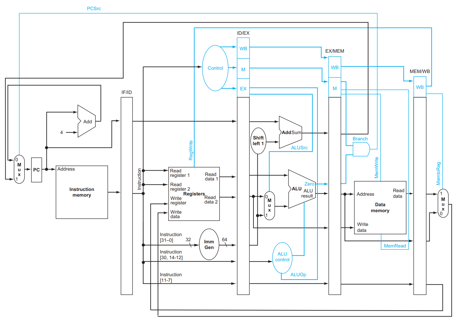
overview

解释:上图中蓝色的线是在原有的overview上面的控制信号
4.2 logic design convention
- 非阻塞赋值:等式右边的值全部被评估完全后,再会赋值给等式左侧。所有赋值操作在当前always块的末尾同时生效。这意味着即使多条赋值语句在代码中是顺序排列的,它们的执行效果是并行的。在时序逻辑中,非阻塞赋值确保了在同一个时钟周期内,所有变量的更新不会互相影响
- 阻塞赋值:右边的值在此刻马上赋给左侧的值。
4.3 building a datapath
instruction execution in Risc-V
- Fetch :
 Take instructions from the instruction memory
 Modify PC to point the next instruction
- Instruction decoding & Read Operand
 Will be translated into machine control command
 Reading Register Operands, whether or not to use (因为我们每一个指令的格式是固定的)
- Executive Control:
 Control the implementation of the corresponding ALU operation
- Memory access:
 Write or Read data from memory
 Only ld/sd
- Write results to register:
 If it is R-type instructions, ALU results are written to rd
 If it is I-type instructions, memory data are written to rd
- Modify PC for branch instructions
instruction fetch
R-format instructions
所需单元如下:
- Read two register operands
- Perform arithmetic/logical operation
- Write register result
load/store instrutions
branch instructions
- Read register operands
- Compare operands
 Use ALU, subtract and check Zero output (beq)
- Calculate target address
 Sign-extend displacement
 Shift left 1 place (halfword displacement)(默认最后一位为零,则需要左移进行补零)
 Add to PC value

full datapath

4.4 a simple implementation scheme
7 controller

- 具体七个控制逻辑的意义![seven]() 
4.5 an overview of the pipeline
risc-v pipeline
Five stages, one step per stage
- IF: Instruction fetch from memory
- ID: Instruction decode & register read
- EX: Execute operation or calculate address
- MEM: Access memory operand
- WB: Write result back to register


Note:CPI is decreased to 1, since one instruction will be issued (or
finished) each cycle.Speedup due to increased throughput but Latency (time for each instruction) does not decrease
risc-v pipeline 优势
- All instructions are 32-bits
 Easier to fetch and decode in one cycle
 c.f. x86: 1- to 17-byte instructions
- Few and regular instruction formats
 Can decode and read registers in one step
- Load/store addressing
 Can calculate address in 3rd stage, access memory in 4th stage
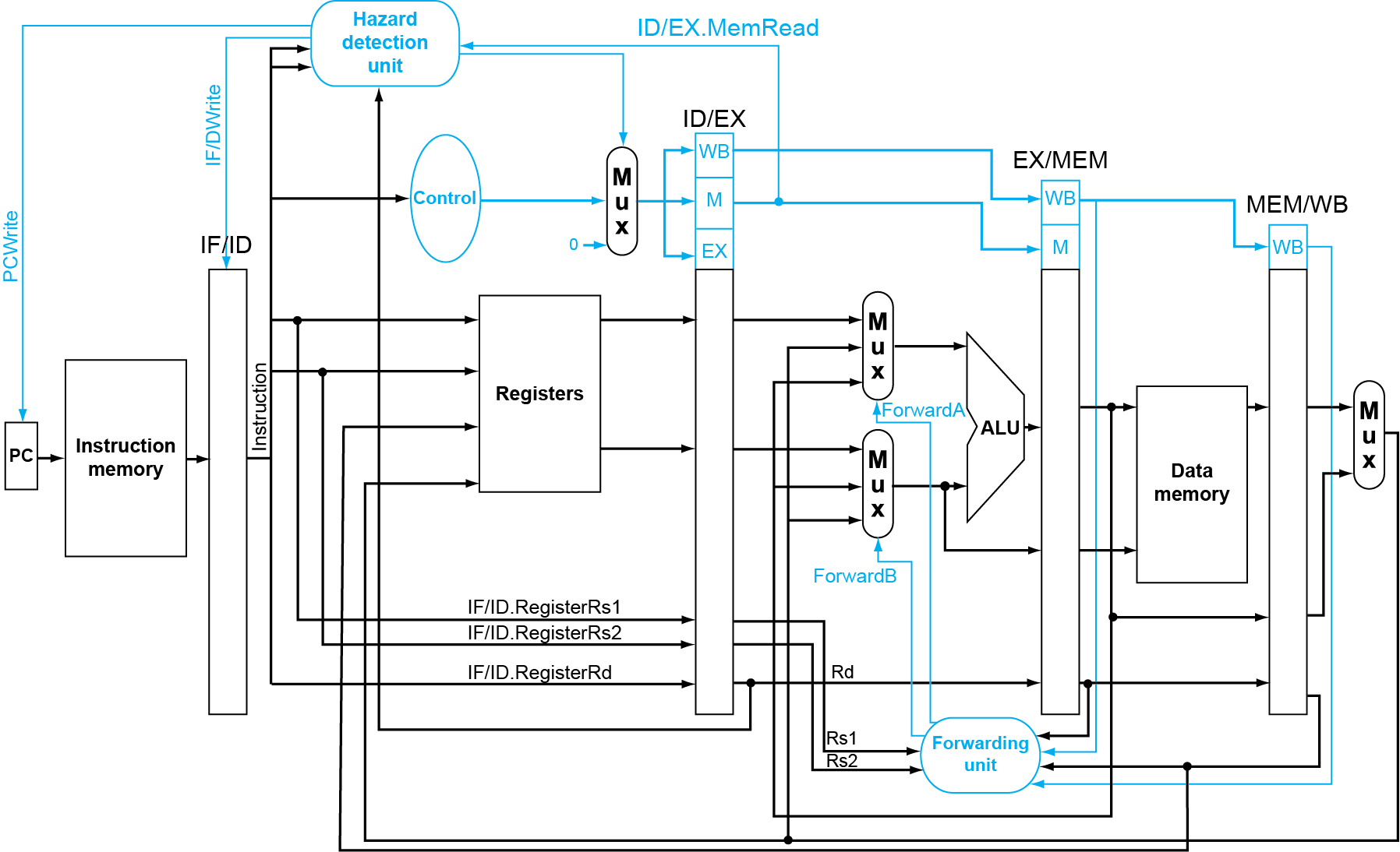
hazard(竞争)
strutrue hazard
data hazard
control hazard
解决hazard
解决structure hazard
- 产生:前一个指令在ID阶段时会使用其在IF阶段读出的指令内容,但是此时后一个指令已经运行到IF阶段并读出内容,为了解决控制信号的冲突,我们实际上会在每两个stage之间使用寄存器保存这些内容。
- 解决![structrue]() 
 解释:我们现在在两个stage中的竖条条就是pipline registers。但是还需要关注datapath中两个从右往左的path,一个是wb阶段写回数据(在这个情况下,write register要随着其他控制信号向下传递),一个是MEM阶段判断是否发生跳转。
解决data hazard
- forwarding

- load-use data hazard
如果是load我们所需要的数据就没有在EX后面产生,而是在MEM阶段产生,则我们可能再经过一个bubble,再将MEM的输出数据通过旁路转发给EX的输入
- 给定一段c语言与相对应的指令,计算出需要的时钟周期
ld x1, 0(x0)
ld x2, 8(x0)
stall
add x3, x1, x2
sd x3, 24(x0)
ld x4, 16(x0)
stall
add x5, x1, x4
sd x5, 32(x0)
13 cycles
相同的c语言代码但是改进的risc-v代码
ld x1, 0(x0)
ld x2, 8(x0)
ld x4, 16(x0)
add x3, x1, x2
sd x3, 24(x0)
add x5, x1, x4
sd x5, 32(x0)
11 cycles
解决control hazard
- Branch prediction 
- 更长的流水线无法在早期确定分支结果 
 停顿惩罚变得不可接受
- 预测分支结果 
 仅在预测错误时停顿
- 在 RISC-V 流水线中 
 可以预测分支未被采取
 在分支后立即获取指令,无需延迟
4.6 RISC-V pipeline datapath
pipline registers
- note:注意register number在流水线中需要随着进程往下传导,否则操作的register不再是原来的register
4.7 data hazard
判断何时出现 data hazard
- Data hazards when 
 1a. EX/MEM.RegisterRd = ID/EX.RegisterRs1
 1b. EX/MEM.RegisterRd = ID/EX.RegisterRs2
 2a. MEM/WB.RegisterRd = ID/EX.RegisterRs1
 2b. MEM/WB.RegisterRd = ID/EX.RegisterRs2
- But only if forwarding instruction will write to a register! 
 EX/MEM.RegWrite, MEM/WB.RegWrite
- And only if Rd for that instruction is not x0 
 EX/MEM.RegisterRd ≠ 0,
 MEM/WB.RegisterRd ≠ 0
解决double data hazard
- Consider the sequence:
 add x1,x1,x2
 add x1,x1,x3
 add x1,x1,x4
- Both hazards occur(满足前面我们所说的a和b两种情况)
 Want to use the most recent
- Revise MEM hazard condition
 Only fwd if EX hazard condition isn’t true
- 具体条件代码
 if (MEM/WB.RegWrite
 and (MEM/WB.RegisterRd ≠ 0)
 and not(EX/MEM.RegWrite and (EX/MEM.RegisterRd ≠ 0)
 and (EX/MEM.RegisterRd = ID/EX.RegisterRs1))
 and (MEM/WB.RegisterRd = ID/EX.RegisterRs1)) ForwardA = 01
 解释:加粗部分是为了避免上一个EX/MEM也满足条件,从而选择上上级的MEM/WB进行旁路传输,而如果上一级的EX/MEM满足条件,则选择上一级的EX/MEM进行旁路传输。
hazard detection

解释:我们主要解释图片的hazard detection unit,这个单元就是为了解决load-use hazard,这个单元的输入分别为相应位置的rs1,rs2,rd,ID/EX.MemRead,而向右的输出如果存在hazard则进行赋零,向左的两个输出就是如果存在hazard则pc端先暂停一下等待一个时钟周期再往下进行(为了空泡的产生)。
4.8 Branch Hazards
dynamic branch prediction
calculating the branch target
- Even with predictor, still need to calculate
 the target address
 1-cycle penalty for a taken branch
- Branch target buffer
 Cache of target addresses
 Indexed by PC when instruction fetched
 If hit and instruction is branch predicted taken, can fetch target immediately
4.10 instruction-level parallelism
multiple issue(多发)
risc-v with static dual issue
- 对于双发问题,在packets中我们常常把alu/branch 与load/store指令放在一个包中
- 因为这两个类型的指令所使用的结构大多不相同,能够有效平衡资源利用。
loop unrolling
- 循环展开:比如将一次循环做一次的程序改为一次循环我们可以做多次,这样在双发系统中能让空泡减少,提高效率。
- ex
| 1 |  | 
dynamic scheduling
- ex
 ld x31,20(x21)
 add x1,x31,x2
 sub x23,x23,x3
 andi x5,x23,20
 则可以将sub先开始再执行add
4.11 exception
定义
- 广义:exception
- 狭义:exception(内部处理器) interrupt(外部)
handling exceptions
- save PC of offending instruction
- save indication of the problem
- jump to handler
 Assume at 0000 0000 1C09 0000hex,再跳到cause 寄存器,再跳转到程序发生异常的地方
an alternate mechanism
一些寄存器
- mepc(异常pc地址存储器)- 发生exception:mepc<-pc
- 发生interrupt:mepc<-pc+4
- 低的两位永远是0
 
- mcause(异常原因)- 异常原因的优先级:External interrupt > Software interrupt > Timer interrupt
 
Risc-v中断处理-进入异常
- RISC-V处理器检测到异常,开始进行异常处理:
- 停止执行当前的程序流,转而从CSR寄存器mtvec定义的PC地址开始执行;
- 更新机器模式异常原因寄存器:mcause
- 更新机器模式中断使能寄存器:mie
- 更新机器模式异常PC寄存器: mepc
- 更新机器模式状态寄存器: mstatus
- 更新机器模式异常值寄存器: mtval
Risc-v中断处理-异常返回
- 机器模式下退出异常(MRET)
- 程序流转而从csr寄存器mepc定义的pc地址开始执行
- 同时硬件更新csr寄存器机器模式状态寄存器mstatus
- 寄存器MIE域被更新为当前MPIE的值:mie ← mpie
- MPIE 域的值则更新为1: MPIE ← 1
流水线中的exception
exception example
- 此时出错的指令在EX阶段,则将自己flash掉,并且前面已经进入执行的两个指令都flash掉,所以在下一个时钟周期,会出现3个bubble,并开始执行handler 指令。
- Handler:1C090000 sd x26, 1000(x10)
 1c090004 sd x27, 1008(x10)
multiple exceptions
- 当出现多个异常时,最简单的方法就是顺序处理。
- 而在复杂的流水线中我们考虑的东西更多。
Chapter5-Large and Fast:Exploiting Memory Hierarchy
5.1 Memory technologies
5.2 Memory hierarchy
- 时间局部性:最近经常用的就放在离cpu近的地方
- 空间局部性:离最近常访问的元素较近的也可能被经常访问,也放在离cpu近的地方
taking advantage of locality
- 所有东西都存在disk中
- 将最近常访问的和离它们最近的从disk复制到较小的DRAM中
- 将最近常访问的和离它们最近的从DRAM复制到较小的SRAM中![jiegou]() 
some important items
- Block(复制单元)
- 如果被访问的数据出现在上层- hit:上层满足权限
- hit ratio命中率:命中/访问
 
- 如果没有被访问的数据- miss:the cpu accesses the upper level and fails.再把block从lower level复制而来,再将此时的上层数据提供给cpu
- miss ratio=1-hit ratio
- time taken:miss penalty
 
exploiting memory hierarchy
5.3 the basics of cache
direct mapped cache

- 一种cache结构,其中每个存储地址都映射到cache中的确定位置
- 使用以下方法得到index- (块地址)mod(cache中的数据块数量)
- 若cache中有2^n个数据块,那么索引为主存块地址的最低n位
 
- 那么我们怎样确定在cache中编号到底是哪个block呢?—tag
- 确定这个block有效–valid bit
example
- 32位主存地址,4-block cache,1-word Block
- 4-block 则索引位index为两位(字节偏移量前两位)
- 且是1-word Block 则里面有4个byte,则字节偏移量(m+2)为两位(最后两位)
- 则另外的28位为tag
- 则我们成功把主存地址剥离三个部分!
- 此后我们就能进入cache找到对应的index再进行tag的比对,valid bit是否为1,如果都满足就可以读数据了
- total number of bits:2^n*(block size+tag size+valid field size)
example2
- How many total bits are required for a direct-mapped cache 16KB(总的数据大小) of data and 4-word blocks, assuming a 32-bit address?
handleing cahce hits and misses
read
write
- write hits- write-back:write back data from the cache to memory later(Fast!)
- write-through:writes always update both the cache and the memory
 
- write misses
 read the entire block into the cache, then write the word
buffer
- 写缓冲,保存着等待写回主存的数据,数据写入cache的同时也写入写缓冲中,之后处理器继续执行。通常用于后面会提及的write-through策略中。
Deep concept in Cache
- Q1: Where can a block be placed in the upper level?
 (Block placement)- Fully Associative(Block can go anywhere in cache.)
- Set Associative(Block can go in one of a set of places in the cache.;A set is a group of blocks in the cache.Block address MOD Number of sets in the cache
 ;If sets have n blocks, the cache is said to be n-way set associative.)
- Direct Mapped(Usually address MOD Number of blocks in cache)
 
- Q2: How is a block found if it is in the upper level?
 (Block identification)
 Tag/Block- 对于fully associated cache,index=0.(所有的block都可以访问);对于主关联,index的大小取决于主关联的set;对于direct mapped,index select the block
- 以下为根据主存地址寻找cache中的block的三种方法
 
- Q3: Which block should be replaced on a miss?
 (Block replacement)- Random, LRU,FIFO(我们需要注意因为这种原则,也可以大大降低miss rate)
- 因为direct mapped,则每个对应的主存地址只能去向cache中指定的位置,则不存在位置的冲突情况。我们下面的替换方法(本质上都是增加cache命中率)主要针对全关联与主关联。
- random replacement-randomly pick any block
- Least-recently used(对于两路主关联增加一位就可以)
- first in,first out
 
- Q4: What happens on a write?
 (Write strategy)
 针对write hit
- Write Back or Write Through (with Write Buffer)
- write-through:在写操作时,数据不仅写入缓存,同时也立即写入主存;Cache control bit: only a valid bit; memory (or other processors) always have latest data
- write-back:在写操作时,数据只写入缓存,而不立即写入主存。当缓存行被替换出去时,才会将修改后的数据写回主存;Cache control bits: both valid and dirty bits;much lower bandwidth, since data often overwritten multiple times
- write allocate(针对write-back的miss): The block is loaded into the cache on a miss before anything else occurs。说一下人话:将block拿到cache里面以后再进行写入操作。
- write around(针对write-through的(miss):The block is only written to main memory;It is not stored in the cache.就直接在memory里面写,没必要拿进cache里面。
Larger blocks exploit spatial locality
designing the memory system to support cache
5.4 Measuring and improving cache performance
- Average Memory Assess time = hit time + miss time
 = hit rate × Cache time + miss rate ×memory time
 = 99% × 5 + (1-99%) × 45 =5.5ns
mearsing cache performance
- read-stall cycles=$\frac{Read}{Program}$ Read miss rate*Read miss penalty
- write-stall cycles=$\frac{Write}{Program}$Write miss rate*Write miss penalty$+Write buffer stalls(write-through)
- 在绝大多数write-back cache organizations,the read and write miss penalties are the same
- 如果我们忽略write buffer stalls,Memory-stall clock cycles=$\frac{Memory accesses}{Program}$Miss rate*Miss penalty
 =$\frac{instructions}{Program}$ $\frac{Misses}{instructions}$Miss penalty
- 但是我们计算时需要注意,发生miss不仅可能针对instructiuon会发生miss,对于data(当我们进行load与store操作时)也会发生miss,因为这两个步骤都涉及我们的内存。
- Memory-stall clock cycles=$# of instructionsmiss ratiomiss penalty$
solution
5.5 virtual memory(硬盘与Main memory的转换)
- 作用:Efficient and safe sharing of memory among
 multiple programs.Remove the programming burdens of a small,limited amount of main memory.
- 虚拟地址与物理地址的转换
- 在虚拟地址的作用下,程序的地址看起来是连续的,programme relocation
pages: virtual memory blocks
- page faults:执行程序还不在main memory里面,则我们需要把程序从disk加载到main memory里面。而这个单元就是page。注意我们使用write back。
- page tables(virtual to physical address)- 放在内存里面
- Each Entry in the table contains the physical page number for that virtual pages if the page is current in memory
- Page table, Program counter and the page table register, specifies the state of the program. Each process has one page table. (Process switch? )
- 每一个programme 都有自己的page table,并且采用fully associative mapping method
 
- page的映射:![page]() - page offset:表示了每一个page的大小,常常经过映射以后physical address中的page offset大小与virtual address中的page offset大小一致。
- virtual page number:表示每一个page table中的行数(page entries的数量)
- 我们的映射其实就是通过page table把virtual page number映射到physical page number
- 如上图所示,每个 entry 中包含了一个 valid bit 和 physical page number。如果 valid bit = 1,那么转换完成;否则触发了 page fault,handle 之后再进行转换。
 
- page faults:- When a page fault occurs, the OS will be given control through exception mechanism.
 
- Making Address Translation Fast- The TLB acts as Cache on the page table.
- A cahce for address translations:translation look aside buffer.
 
TLB,page tables,cache

- Three different types of misses:TLB miss,page table miss,page miss
Modern Svstems
- instructions的TLB和数据的TLB需要分开,因为如果放在一起,因为instructions的地址的连续性,而data更离散,可能导致命中率下降
Chapter6-I/O
6.1 Introduction
三个特点
- Behavior
- Partner
- Data rate(数据可以在I/O设备和主存储器或处理器之间传输的峰值速率)
I/O 性能的评估
- I/O性能一般评估较为麻烦但是可以从以下几个方面评估:- 吞吐量:The number of operations per unit time。在这个评估准则下I/O的bandwidth便很重要。
- Response time
- both throughput and response time
 
Amdahl’s Law
- 思想:顺序部分限制加速,我们采取并行的思想
- 例子:有100个处理器,我们想要加速到原来的90倍
 假设现在我们并行的程序占比为F,则我们有:$\frac{1}{(1-F)+\frac{F}{100}}=90$,解得F=0.999
6.2 Disk storage and dependability
The organization of hard disk
- platters(盘): disk consists of a collection of platters, each of which has two recordable disk surfaces
- tracks: each disk surface is divided into concentric circles(同心圆)
- sectors: each track is in turn divided into sectors, which is the smallest unit that can be read or written![disk1]() 
To access data of disk
- 寻道时间(Seek):The time required to move the head to the correct track.(通常是3-14 ms)
- Rotational latency:The time required to rotate the head to the correct position on the track.
 ex:For 5400RPM(每分钟的旋转数):Average rotational latency=$\frac{0.5 rotation}{5400RPM}$
- Transfer:传输sector的时间
 ex:For 512B/sector,50MB/s,Transfer time=$\frac{0.5KB}{50MB/sec}$
- Disk controller:控制disk与内存的transfer
- Access Time=Seek time+Rotational latency+Transfer+Disk controller time
Measure
- MTTF 平均无故障时间
 三种提高MTTF的方式:- fault avoidance(从发生端减少)
- fault tolerance(运用冗余的思想)
- fault forcasting(预测)
 
- MTTR 平均修复时间
- MTBF=MTTF+MTTR 平均故障间隔时间
- Availablity=$\frac{MTTF}{MTTF+MTTR}$
Use Arrays of Small Disks?
- 想要通过用小的硬盘来搭建一个大的硬盘。
- 但是这样大硬盘的可靠性会下降
- 考虑使用RAID(磁盘冗余阵列)技术,raid0(Non-redundant striped),raid1,raid5,raid6。当出现问题时数据从redundant disk中恢复。
RAID
- RAID 0:Non-redundant striped,但是因为是用小磁盘阵列来搭建大磁盘所以large accesses是提升了的。
- RAID 1:Disk Mirroring/Shadowing- Very high availability can be achieved(每一个磁盘的冗余都是被完全从这个磁盘复制的)
- Bandwidth sacrifice on write:Logical write = two physical writes;Reads may be optimized
- Most expensive solution: 100% capacity overhead(支出)
 
- RDID 3:Bit-Interleaved Parity Disk- 奇偶校验:一旦一个磁盘出现故障,则可以根据奇偶校验恢
 复。
- 但是单纯从奇偶校验的逻辑无法判断哪个盘坏掉。
- 但是等待整个盘的校验是性能较低的,这给了我们对于后面raid设计的启示,让每一个setcor都能catch error,这样我们的性能就不会被parity disk约束。
- raid3的读写特点![raid3]() 
 
- 奇偶校验:一旦一个磁盘出现故障,则可以根据奇偶校验恢
- RAID 4:相对于RAID 3,每个盘都加上一个deduction,可以直接判断每个磁盘坏没坏,从而不用使用奇偶校验判断。- Small writes are limited by Parity Disk: Write to D0, D5 both also write to P disk。下面是一个small write的例子:![smallwrite]() 
- 而对于large write,我们几乎访问所有磁盘则其代价与RAID3差别不大。
- 就如前面提到的,raid4对于small write(虽然读操作已经优于RAID3)并不是表现很好,因为我们不能同时实现两个small write操作,因为都需要写入到P盘中。
 
- Small writes are limited by Parity Disk: Write to D0, D5 both also write to P disk。下面是一个small write的例子:
- RAID 5:- 相对于RAID 4的改进,parity盘不再固定,而是分布在每行的不同位置,则我们的许多small write能够同时写入。
 
- RAID 6(P+Q Redundancy)
6.3 Buses and Other Connections between Processors Memory,and I/O Devices
Bus Basics
- 一个bus有两种线:Control lines and data lines
- Bus transaction:input and output
Types of Buses
- processory-memory:short high speed,custom design
- backplane:high speed,often standardized
- I/O:lengthy,different devices,standardized
同步总线与异步总线
- Asynchronous bus : don’t use a clock and instead
 use handshaking![yibu]() - 当内存看到ReadReq行时,它从数据总线读取地址,开始内存读取操作,然后提高Ack,告诉设备已经看到了ReadReq信号
- I/O设备看到Ack行很高,并释放ReadReq数据线。
- Memory sees that ReadReq is low and drops the Ack line
- 当内存准备好数据时,它会将数据放在数据线上,并引发DataRdy
- I/O设备看到DataRdy信号,从总线中读取数据,并通过提高ACK发出它有数据的信号
- The memory sees Ack signals, drops DataRdy, and releases the data lines.
- Finally, the I/O device, seeing DataRdy go low, drops the ACK line, which indicates that the transmission is completed
- 以上的七个步骤为用异步的握手协议从内存读取一个字到I/O设备的过程
 
- 同步总线与异步总线性能分析:
 当我们算带宽时对于异步总线一定要按照这七个步骤进行计算。
 //后面的内容就形成a4了吧
Bus Arbitration
- 我们需要bus master启动和控制所有的总线请求
- two factors决定哪个设备占用总线- 优先级
- fairness
 
6.4 Interfacing I/O TO the memory
- I/O 系统的三个特性- 由使用处理器的多个程序共享。
- 经常使用中断来传达有关I/O 操作。
- I/O 设备的低级控制很复杂
 
- 需要三种类型的通信:- 操作系统必须能够向 I/O 设备发出命令。
- 设备必须能够在 I/O 设备
 已完成操作或遇到错误通知 OS。
- 必须在内存和 I/O 设备之间传输数据
 
给命令给I/O
- 直接采用对I/O进行映射到相应的地址,然后就可以直接使用指令 
- 采用特殊的I/O指令 
与处理器进行交流
- 轮询(Polling):处理器定期检查状态。位查看是否是下一次 I/O 操作的时间。
- Interrupt:当 I/O 设备想要通知时处理器已完成某些操作,或者需要注意,它会导致处理器打断。- 显而易见,用中断相对于polling,只需要在需要的地方介入,
 
- DMA(直接内存访问):设备控制器。将数据直接传输到内存或从内存中传输数据,而无需涉及处理器- 处理器通过提供一些
 信息,包括设备的身份、operation、作为源的内存地址或要传输的数据的目的地和数量要传输的字节数。
- DMA 在设备上启动操作并仲裁
 对于总线。如果请求需要多次转移在总线上,DMA 单元生成下一个内存地址并启动下一次传输。
- DMA 传输完成后,控制器
 中断处理器,然后检查处理器是否
 发生错误。
 
- 处理器通过提供一些
期末
- datapath中的控制信号注意memory write和register write不能随便设置为no care,因为总线上很有可能有乱七八糟的值。
- 流水线怎么处理hazard的方式是有假设的。
 
    










